
Блок согласования кондуктометрических датчиков ОВЕН БКК1
Новый прибор линейки сигнализаторов уровня САУ, четырехканальный аналог САУ-М6 в DIN-реечном исполнении.
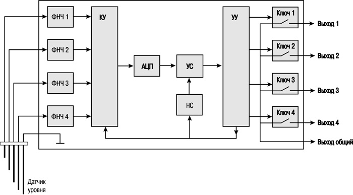
Предназначен для отслеживания четырех уровней токопроводящей жидкости. Может использоваться как самостоятельное изделие для управления исполнительными механизмами, либо как устройство согласования кондуктометрических датчиков с ОВЕН ПЛК (или контроллерами других производителей).
Прибор выпускается вкорпусе с креплением на DIN-рейку типа Д3.
Функциональные возможности
- ЧЕТЫРЕ НЕЗАВИСИМЫХ КАНАЛА контроля уровня жидкости в резервуаре
- ПОВЫШЕННАЯ ПОМЕХОУСТОЙЧИВОСТЬ И НАДЕЖНОСТЬ благодаря использованию новой цифровой схемотехники
- ИСПОЛНЕНИЕ НА DIN-РЕЙКУ (размещение внутри щита)
- ДВА ВАРИАНТА ПИТАНИЯ – 24 В или 220 В
- РАБОТА С РАЗЛИЧНЫМИ ПО ЭЛЕКТРОПРОВОДНОСТИ ЖИДКОСТЯМИ: кислотами, щелочами, слабыми растворами солей, водой водопроводной, технической, очищенной и др.
- ПРОСТАЯ НАСТРОЙКА без демонтажа прибора
|
Характеристика |
БКК1-24 |
БКК1-220 |
|
Напряжение питания прибора |
14…36 В пост. тока |
90…264 В 47...63 Гц |
|
Потребляемая мощность |
не более 1 ВА |
не более 2 ВА |
|
Количество каналов контроля уровня |
4 |
|
|
Напряжение питания датчиков уровня |
не более 10 В перем. тока 1,5...2,5 Гц |
|
|
Тип дискретного выхода |
4 транзисторных двунаправленных ключа |
4 э/м реле, нормально разомкнутый контакт |
|
Допустимая нагрузка выхода |
50 мА пост. тока 36 В |
2 А перем. тока 240 В |
|
Тип корпуса |
на DIN-рейку 35 мм Д3 |
|
|
Габаритные размеры корпуса |
54х95х57 мм |
|
|
Степень защиты корпуса |
IP20 |
|
|
Температура окружающего воздуха |
–25...+70 °С |
–10...+50 °С |
|
Относительная влажность воздуха (при 25 °С и ниже без конденсации влаги) |
не более 80 % |
|
|
Атмосферное давление |
84...106,7 кПа |
|
631-184-701