
Светодиодный индикатор - СМИ2
Назначение светодиодного индикатора СМИ2
Предназначен для вывода оператору информации о ходе технологического процесса.
Обеспечивает информативный вывод показаний системы или диагностических сообщений на мозаичных мнемосхемах, щитах и пультах оперативного управления.
Идеально подходит в качестве индикатора диагностических сообщений для систем, в которых используется ПЛК без средств визуализации.
Основные преимущества:
- Компактный корпус для крепления на шкаф управления или на пульт диспетчерского управления 48 х 24мм.
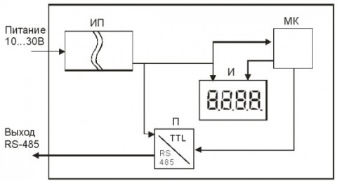
- Расширенный диапазон питаний 10,5..30В постоянного тока
- Расширенный диапазон температур -40..70.
- Поддержка интерфейса RS485 и протоколов: ОВЕН и Modbus RTU/ASCII
- Простой монтаж в шкаф (стандартное отверстие под светосигнальную лампу, диаметром 22,5 мм).
- Поддержка широковещательной команды для вывода на большое количество индикаторов.
Основные возможности
- Работа в сети RS485 в качестве подчиненного (slave) устройства
- Получение данных от мастера сети и вывод их на индикатор*.
- Поддержка нескольких типов переменных: int, word, float, string
- Встроенная логика определения аварийных значений отображаемого параметра
* - СМИ2 допускает вывод только одного параметра.
|
Габариты, мм (высота х ширина х глубина) |
24 х 48 х 65 |
|
Питание, В, постоянного тока |
10,5..30 |
|
Диапазон рабочих температур, оС |
-40…70 |
|
Индикатор |
Один четырехразрядный семисегментный |
|
Размер индикаторов, мм |
14 |
|
Наличие интерфейсов связи |
RS-485 |
|
Поддерживаемые протоколы |
ModBus RTU ModBus ASCII OWEN |
|
Наличие гальванической развязки между питанием прибора и интерфейсом RS-485 |
Не менее 500 В
|
631-184-701