
Описание преобразователя векторного типа EI-9011
Назначение
Частотный преобразоваетель EI-9011 фиксирует амплитуду и частоту, а так же соотношения фаз, что позволяет получать максимальное усилие на вал. Применяется в сложных механизмах с постоянным изменением скорости, например подъемное оборудование, где достигаются большие перегрузки при старте и остановке.
Технические характеристики
• Диапазон мощностей 0,75 кВт - 500 кВт.
• Полная защита двигателя.
• Векторное управление без обратной связи по скорости
• Векторное управление с обратной связью по скорости.
• Встроенный ПИД-регулятор.
• 32-разрядный RISC микропроцессор.
• Язык команд пульта управления - русский
• Аналоговые и цифровые входы/выходы для регулирования и дистанционного управления
• Возможность дистанционного управления и мониторинга по последовательной линии связи (протоколы MODBUS, PROFIBUS) Погрузитесь в мир азартных игр вавада кз без задержек и ограничений.
• Питание 380 В, 50 Гц
Модельный ряд
Модель EI-9011-001Н 1,1 кВт
Модель EI-9011-002Н 1,5 кВт
Модель EI-9011-003Н 2,2 кВт
Модель EI-9011-005Н 3,7 кВт
Модель EI-9011-007Н 5,5 кВт
Модель EI-9011-010Н 7,5 кВт
Модель EI-9011-015Н 11 кВт
Модель EI-9011-020Н 15 кВт
Модель EI-9011-025Н 18,5кВт
Модель EI-9011-030Н 22 кВт
Модель EI-9011-040Н 30 кВт
Модель EI-9011-050Н 37 кВт
Модель EI-9011-060Н 45 кВт
Модель EI-9011-075Н 55 кВт
Модель EI-9011-100Н 75 кВт
Модель EI-9011-125Н 93 кВт
Модель EI-9011-150Н 110 кВт
Модель EI-9011-175Н 132 кВт
Модель EI-9011-200Н 160 кВт
Модель EI-9011-250Н 185 кВт
Модель EI-9011-300Н 220 кВт
Модель EI-9011-400Н 315 кВт
Модель EI-9011-500Н 400 кВт
Модель EI-9011-600Н 500 кВт
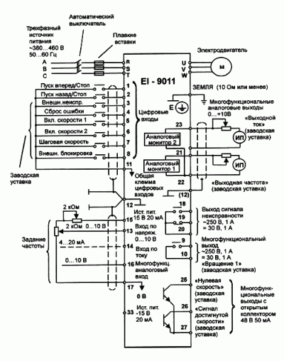
Схема подключения
631-184-701