
Частотные преобразователи ВЕСПЕР EI-7011 общепромышленные
Назначение
Серия частотных преобразователей, которая происходит из модифицированного EI—7001. Используется в системах с контролируемым приводом. Область применения — различное пищевое и химическое оборудование, водоснабжение, вентиляция и другие сферы.
Технические характеристики
• Диапазон мощностей 0,75 кВт - 315 кВт.
• Полная защита двигателя.
• Встроенный ПИД-регулятор
• Управление по вольт-частотной характеристике U/F
• Язык команд пульта управления - русский
• Аналоговые и цифровые входы/выходы для регулирования и дистанционного управления
• Возможность дистанционного управления и мониторинга по RS-232/RS-485 (протокол MODBUS)
• Питание 380 В, 50 Гц
Модельный ряд:
Модель EI-7011-001Н 1,1 кВт
Модель EI-7011-002Н 1,5 кВт
Модель EI-7011-003Н 2,2 кВт
Модель EI-7011-005Н 3,7 кВт
Модель EI-7011-007Н 5,5 кВт
Модель EI-7011-010Н 7,5 кВт
Модель EI-7011-015Н 11 кВт
Модель EI-7011-020Н 15 кВт
Модель EI-7011-025Н 18,5кВт
Модель EI-7011-030Н 22 кВт
Модель EI-7011-040Н 30 кВт
Модель EI-7011-050Н 37 кВт
Модель EI-7011-060Н 45 кВт
Модель EI-7011-075Н 55 кВт
Модель EI-7011-100Н 75 кВт
Модель EI-7011-125Н 93 кВт
Модель EI-7011-150Н 110 кВт
Модель EI-7011-175Н 132 кВт
Модель EI-7011-200Н 160 кВт
Модель EI-7011-250Н 185 кВт
Модель EI-7011-300Н 220 кВт
Модель EI-7011-400Н 315 кВт
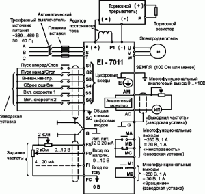
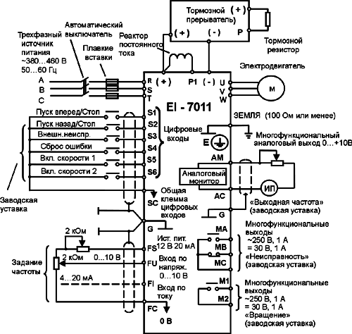
Схема подключения
631-184-701