
2ТРМ0 двухканальный измеритель с интерфейсом RS-485
Функциональные возможности промышленного измерителя
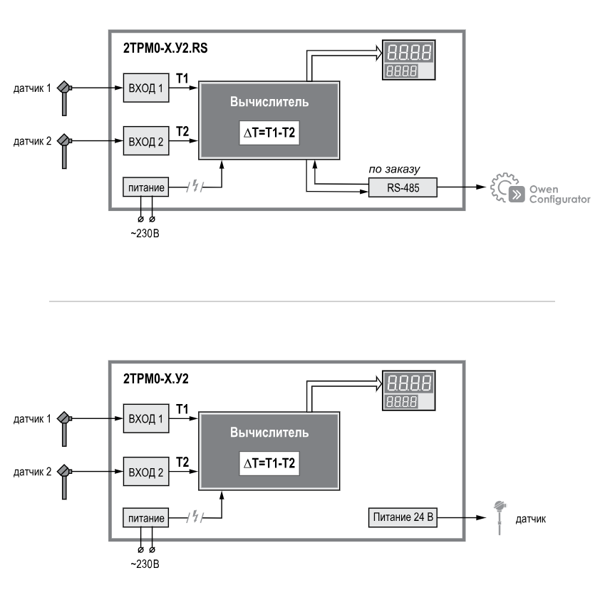
- Два универсальных входа для подключения широкого спектра датчиков.
- Возможность включения в систему диспетчеризации и передачи данных на верхний уровень по интерфейсу RS-485.
- Одновременное отображение текущих показаний по двум каналам на двух цифровых индикаторах.
- Вычисление разности двух физических величин.
- Масштабирование шкалы для каждого входа.
- Цифровая фильтрация и коррекция входного сигнала.
Технические характеристики промышленного измерителя
|
Параметр |
Значение |
|||
|
Напряжение питания переменного тока |
~90…264 В (номинальное 230 В) |
|||
|
Частота напряжения питания |
50, 60 Гц |
|||
|
Потребляемая мощность |
не более 10 ВА |
|||
|
Напряжение встроенного источника питания нормирующих преобразователей |
24 ± 2,4 В (только для исполнения без RS-485) |
|||
|
Максимально допустимый ток источника питания |
50 мА |
|||
|
Универсальные входы |
||||
|
Количество универсальных входов |
2 |
|||
|
Типы входных датчиков и сигналов |
см. таблицу «Характеристики измерительных датчиков» |
|||
|
Время опроса входа |
Не более 1 секунды |
|||
|
Предел основной приведенной погрешности измерения: |
||||
|
- для термоэлектрических преобразователей с включенной компенсацией холодного спая |
±0,5 % |
|||
|
- для остальных типов датчиков |
±0,25 % |
|||
|
Корпус |
||||
|
Щитовой Щ1 |
96×96×53, IP54* |
|||
|
Щитовой Щ2 |
96×48×100, IP54* |
|||
|
Щитовой Щ5 |
48×48×103, IP54* |
|||
|
Настенный Н |
110×129×69, IP66** |
|||
|
DIN-реечный |
88×90×59, IP20 |
|||
|
* со стороны передней панели |
||||
|
Условия эксплуатации |
||||
|
Температура окружающего воздуха |
–40...+50 °С |
|||
|
Атмосферное давление |
84...106,7 кПа |
|||
|
Относительная влажность воздуха (при +35 °С и ниже без конденсации влаги) |
Не более 85 % |
|||
Наличие интерфейса RS-485 позволяет включать 2ТРМ0 в системы распределенной диспетчеризации. Информация с прибора на компьютер или мобильное устройство передается в SCADA-системы, облачный сервис, OPC-серверы и др. с помощью сетевых шлюзов по протоколу Modbus RTU/ASCII. Это позволит организовать взаимодействие между различными подсистемами инженерного оборудования для проведения автоматизированного оперативного контроля.
Визуализация промышленного измерителя
Для оперативной и точной оценки ситуации производственных процессов - эффективным средством является система мониторинга или визуализации. Система мониторинга заменяет множество дорогих механических самописцев всего одним ПК или панелью оператора. Благодаря наличию интерфейса RS-485 у прибора 2ТРМ0 имеется возможность подключения к панели оператора, визуализация которой позволяет упростить взаимодействие оператора с технологическим процессом.


631-184-701