
ТРМ12 ПИД-регулятор для задвижек с RS-485
Основные функции прибора ОВЕН ТРМ12
- Два универсальных входа для подключения широкого спектра датчиков температуры, давления, влажности, расхода, уровня и т.п.
- Вычисление разности, суммы, отношения и корня из разности двух измеряемых величин.
- Измерение и регулирование расхода по перепаду давления на стандартных сужающих устройствах (диафрагма, сопло и трубка Вентури) без применения дифманометра.
-
ПИД-регулирование управляемой величины с использованием:
- электропривода запорно-регулирующего (КЗР) или трехходового клапана;
- задвижки с аналоговым входом 4…20 мА или 0…10 В в автоматическом, ручном и дистанционном режимах.
- Автонастройка ПИД-регулятора для настройки коэффициентов.
- Подключение датчика положения задвижки ко входу 2.
- График отопления по уличной температуре.
- Дистанционный пуск и остановка ПИД-регулятора.
- Сигнализация об обрыве в цепи регулирования (LBA).
- Встроенный интерфейс RS-485 (протокол Modbus ASCII/RTU).
- Защита настроек для разных групп специалистов.
Технические характеристики
|
Параметр |
Значение |
|||
|
Напряжение питания переменного тока |
~90…264 В (номинальное 230В) |
|||
|
Частота напряжения питания |
50, 60 Гц |
|||
|
Потребляемая мощность |
не более 10 ВА |
|||
|
Напряжение встроенного источника питания нормирующих преобразователей |
24 ± 2,4 В (только для исполнения без RS-485) |
|||
|
Максимально допустимый ток источника питания |
50 мА |
|||
|
Универсальные входы |
||||
|
Количество универсальных входов |
2 |
|||
|
Функции входа 1 |
Измерительный |
|||
|
Функции входа 2 |
Измерительный (в том числе датчик положения) |
|||
|
Дополнительный (дистанционный пуск и останов регулирования) |
||||
|
Типы входных датчиков и сигналов |
см. таблицу «Характеристики измерительных датчиков» |
|||
|
Время опроса входа: |
Не более 1 секунды |
|||
|
Предел основной приведенной погрешности измерения: |
||||
|
- для термоэлектрических преобразователей с включенной компенсацией холодного спая |
±0,5 % |
|||
|
- для остальных видов датчиков |
±0,25 % |
|||
|
Выходные устройства |
||||
|
Количество выходных устройств |
2 |
|||
|
Типы выходных устройств |
Р, К, С, Т, И, У |
|||
|
Корпус |
||||
|
Щитовой Щ1 |
96×96×53 мм, IP54* |
|||
|
Щитовой Щ2 |
96×48×100 мм, IP54* |
|||
|
Щитовой Щ5 |
48×48×103 мм, IP54* |
|||
|
Настенный Н |
110×129×69 мм, IP66** |
|||
|
DIN-реечный |
90×88×59 мм, IP20 |
|||
* со стороны передней панели
** подтверждено испытаниями в независимой аккредитованной лаборатории, см протокол 28/23
|
Условия эксплуатации |
||||
|
Температура окружающего воздуха |
–40...+50 °С |
|||
|
Атмосферное давление |
84...106,7 кПа |
|||
|
Относительная влажность воздуха (при +35 °С и ниже без конденсации влаги) |
Не более 85 % |
|||
|
Характеристики выходных устройств |
||||
|
Обозначение |
Тип выходного устройства (ВУ) |
Электрические характеристики |
||
|
Р |
электромагнитное реле |
Ток не более 8 А при переменном напряжении не более 250 В и cos φ > 0,9. Ток не более 3 А при постоянном напряжении не более 30 В |
||
|
К |
транзисторная оптопара n-p-n типа |
Постоянный ток не более 400 мА при постоянном напряжении не более 60 В |
||
|
С |
симисторная оптопара |
Ток не более 50 мА при переменном напряжении не более 250 В (50 Гц). Ток в импульсном режиме не более 500 мА (tимп. не более 5 мс). Максимальное коммутируемое напряжение не более 600 В |
||
|
И |
цифроаналоговый преобразователь «параметр–ток 4…20 мА» |
Постоянный ток 4...20 мА на внешней нагрузке не более 1 кОм, напряжение питания 12...30 В рассчитывается в зависимости от сопротивления нагрузки |
||
|
У |
цифроаналоговый преобразователь «параметр–напряжение 0…10 В» |
Постоянное напряжение 0…10 В на внешней нагрузке более 2 кОм, напряжение питания 16…30 В |
||
|
Т |
выход для управления твердотельным реле |
Выходной ток не более 40 мА. Выходное напряжение высокого уровня – 4…6 В. Выходное напряжение низкого уровня – 0…0,7 В |
||
Диспетчеризация
Наличие интерфейса RS-485 позволяет включать ТРМ12 в системы распределенной диспетчеризации. Информация с прибора на компьютер или мобильное устройство передается в SCADA-системы, облачный сервис, OPC-серверы и др. с помощью сетевых шлюзов по протоколу ModbusRTU/ASCII. Это позволит организовать взаимодействие между различными подсистемами инженерного оборудования, для проведения автоматизированного оперативного контроля и управления.
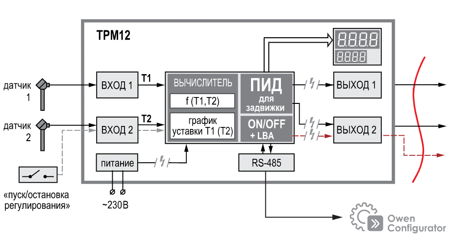
Функциональная схема прибора
Универсальные измерительные входы
Терморегулятор ОВЕН ТРМ12 имеет два универсальных входа для подключения датчиков следующих типов:
- термопреобразователей сопротивления ТСМ 50М, 100М; ТСП 50П, 100П, Pt100, Pt1000 и др.
- термопар ТХК(L), TXA(К), THH(N), ТЖК(J), ТПП(S), ТПП(R), ТПР(В) и др.;
- датчиков с унифицированным сигналом тока 0…5 мА, 0(4)…20 мА и напряжения 0…1 В.
Использование входа 2 в качестве дополнительного для дистанционного управления
К дополнительному входу (вход 2) ТРМ12 можно подключить внешнюю кнопку для дистанционного пуска/остановки регулирования.
Использование входа 2 для подключения датчика положения задвижки
Ко входу 2 ТРМ12 можно подключить датчики положения задвижки следующих типов:
- резистивный 0,1…4 кОм;
- токовый 0...20 мА.
Цифровая фильтрация и коррекция входного сигнала
ОВЕН ТРМ12 осуществляет цифровую фильтрацию входного сигнала от помех и коррекцию измерительной характеристики датчика («сдвиг», «наклон»), а для датчиков с унифицированным выходным сигналом тока или напряжения осуществляется масштабирование шкалы.
ПИД-регулятор
Прибор ОВЕН ТРМ12 осуществляет ПИД-регулирование измеренной или вычисленной величины, управляя:
- электроприводом запорно-регулирующего (КЗР) или трехходового клапана (при этом ПИД-регулятор должен иметь два однотипных дискретных выхода – э/м реле, транзисторные оптопары, симисторные оптопары, выходы для управления внешним твердотельным реле);
- задвижкой с аналоговым входом (при этом ПИД-регулятор должен иметь один выход ЦАП 4…20 мА или 0…10 В).
Управление может осуществляться в автоматическом, ручном и дистанционном режимах.
Настройка коэффициентов ПИД-регулятора на объекте осуществляется автоматически (автонастройка).
Аварийная сигнализация о выходе регулируемой величины за заданные пределы
Терморегулятор ОВЕН ТРМ12 контролирует нахождение регулируемой величины в заданных пределах. Прибор выдает аварийный сигнал по различным условиям относительно текущего значения измеренной величины. Эти условия аварийной сигнализации задаются пользователем при настройке.
При работе с аналоговой задвижкой аварийный сигнал можно подать на второй (свободный) выход прибора, к которому подключается какое-либо сигнальное устройство (лампа, звонок и т.п.).
Сигнализация об обрыве контура регулирования (LBA)
Эта функция позволяет определить аварию в контуре регулирования. Прибор контролирует скорость регулируемой величины и выдает сигнал, если при подаче максимального управляющего воздействия измеряемое значение регулируемой величины не меняется в течение определенного времени.
Обозначения при заказе ТРМ12
631-184-701