
2ТРМ1 погодозависимый двухканальный регулятор с RS-485
Функциональные возможности регулятора
-
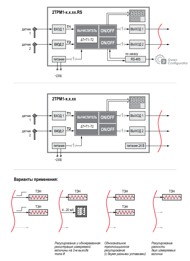
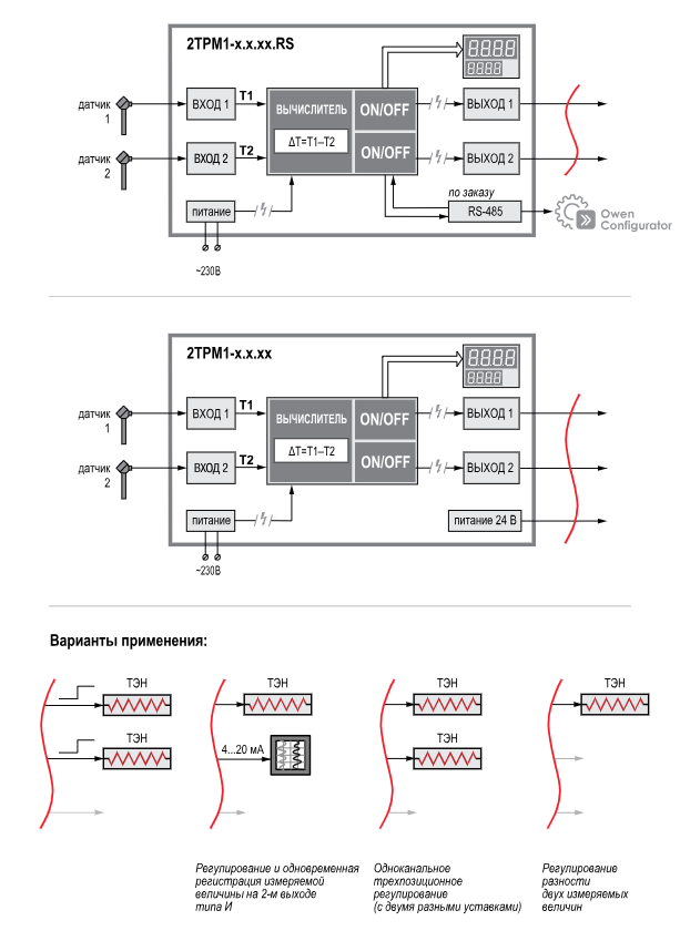
Измерение и регулирование физических величин по двум каналам:
- по двухпозиционному закону;
- одной измеряемой величины по трехпозиционному закону;
- аналоговое П-регулирование;
- погодозависимое регулирование.
- Контроль обрыва связи с исполнительными механизмами.
- Регистрация и управление исполнительными механизмами сигналами 4…20 мА или 0...10 В.
- Сигнализация о выходе измеряемой величины за заданные пределы.
- Регулирование по разности двух физических величин.
- Ручной режим управления исполнительными механизмами.
Технические характеристики
|
Параметр |
Значение |
|||
|
Напряжение питания переменного тока |
~90…264 В (номинальное 230В) |
|||
|
Частота напряжения питания |
50, 60 Гц |
|||
|
Потребляемая мощность |
не более 10 ВА |
|||
|
Напряжение встроенного источника питания нормирующих преобразователей |
24 ± 2,4 В (только для исполнения без RS-485) |
|||
|
Максимально допустимый ток источника питания |
50 мА |
|||
|
Универсальные входы |
||||
|
Количество универсальных входов |
2 |
|||
|
Типы входных датчиков и сигналов |
см. таблицу «Характеристики измерительных датчиков» |
|||
|
Время опроса входа: |
Не более 1 секунды |
|||
|
Предел основной приведенной погрешности измерения: |
||||
|
- для термоэлектрических преобразователей с включенной компенсацией холодного спая |
±0,5 % |
|||
|
- для остальных видов датчиков |
±0,25 % |
|||
|
Выходные устройства |
||||
|
Количество выходных устройств |
2 |
|||
|
Типы выходных устройств |
Р, К, С, Т, И, У |
|||
|
Корпус |
||||
|
Щитовой Щ1 |
96×96×53, IP54* |
|||
|
Щитовой Щ2 |
96×48×100, IP54* |
|||
|
Щитовой Щ5 |
48×48×103, IP54* |
|||
|
Настенный Н |
110×129×69, IP66** |
|||
|
DIN-реечный |
88×90×59, IP20 |
|||
|
* со стороны передней панели |
||||
|
Условия эксплуатации |
||||
|
Температура окружающего воздуха |
–40...+50 °С |
|||
|
Атмосферное давление |
84...106,7 кПа |
|||
|
Относительная влажность воздуха (при +35 °С и ниже без конденсации влаги) |
Не более 85 % |
|||
Характеристики выходных устройств
|
Обозначение |
Тип выходного устройства (ВУ) |
Электрические характеристики |
||
|
Р |
электромагнитное реле |
Ток не более 8 А при переменном напряжении не более 250 В и cos φ > 0,9. Ток не более 3 А при постоянном напряжении не более 30 В |
||
|
К |
транзисторная оптопара n-p-n типа |
Постоянный ток не более 400 мА при постоянном напряжении не более 60 В |
||
|
С |
симисторная оптопара |
Ток не более 50 мА при переменном напряжении не более 250 В (50 Гц). Ток в импульсном режиме не более 500 мА (tимп. не более 5 мс). Максимальное коммутируемое напряжение не более 600 В |
||
|
И |
цифроаналоговый преобразователь «параметр–ток 4…20 мА» |
Постоянный ток 4...20 мА на внешней нагрузке не более 1 кОм, напряжение питания 12...30 В рассчитывается в зависимости от сопротивления нагрузки |
||
|
У |
цифроаналоговый преобразователь «параметр–напряжение 0…10 В» |
Постоянное напряжение 0…10 В на внешней нагрузке более 2 кОм, напряжение питания 16…30 В |
||
|
Т |
выход для управления твердотельным реле |
Выходной ток не более 40 мА. Выходное напряжение высокого уровня – 4…6 В. Выходное напряжение низкого уровня – 0…0,7 В |
||
Диспетчеризация
Наличие интерфейса RS-485 позволяет включать 2ТРМ1 в системы распределенной диспетчеризации. Информация с прибора на компьютер или мобильное устройство передается в SCADA-системы, облачный сервис, OPC-серверы и др. с помощью сетевых шлюзов по протоколу Modbus RTU/ASCII. Это позволит организовать взаимодействие между различными подсистемами инженерного оборудования для проведения автоматизированного оперативного контроля и управления.
Визуализация
Для оперативной и точной оценки ситуации производственных процессов эффективным средством является система мониторинга или визуализации. Система мониторинга заменяет множество дорогих механических самописцев всего одним ПК или панелью оператора. Благодаря наличию интерфейса RS-485 у прибора 2ТРМ1 имеется возможность подключения его к панели оператора, визуализация которой позволяет упростить взаимодействие оператора с технологическим процессом.
Функциональная схема прибора
Обозначение при заказе 2ТРМ1


631-184-701