_07eae360e21d2b599cbff3aa4f89b355.jpg)
Микропроцессорное реле времени двухканальное ОВЕН УТ24
Микропроцессорное реле времени УТ24 используется в качестве программного автомата для управления синтезом веществ, сушильными, гальваническими и другими сложными технологическими процессами.
Позволяет организовать запуск и остановку оборудования, контролировать до 30 различных временных процессов.
Прибор выпускается в корпусах 4-х типов: настенном Н и щитовых Щ1 Щ2 Din-реечный.
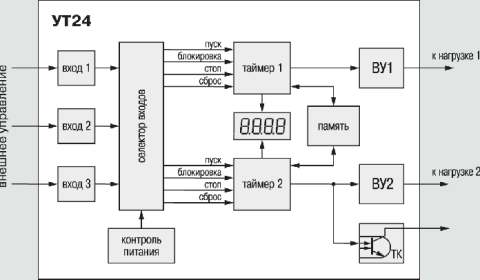
Функциональные возможности реле времени ОВЕН УТ24
- ДВА НЕЗАВИСИМЫХ ТАЙМЕРА для формирования двух независимых программ управления исполнительными механизмами
- ДВЕ ПРОГРАММЫ ИЗ КОНЕЧНОГО ИЛИ БЕСКОНЕЧНОГО ЧИСЛА ЦИКЛОВ по 1...30 шагов (каждый шаг задает включение/выключение исполнительного механизма)
- ШЕСТЬ РЕЖИМОВ ПЕРЕЗАПУСКА ТАЙМЕРОВ
- ПОДКЛЮЧЕНИЕ ТРЕХ ВНЕШНИХ УСТРОЙСТВ для запуска, остановки, временной блокировки или сброса программы таймера
- ИНДИКАЦИЯ ВРЕМЕНИ, ЧИСЛА ЦИКЛОВ ИЛИ ЧИСЛА ШАГОВ, оставшихся до окончания программы
- ПРОГРАММИРОВАНИЕ кнопками на лицевой панели прибора
- СОХРАНЕНИЕ ТЕКУЩИХ ЗНАЧЕНИЙ ПАРАМЕТРОВ ПРОГРАММЫ при отключении питания
- ЗАЩИТА ПАРАМЕТРОВ от несанкционированного доступа

Функции кнопок
![]() |
![]() |
Кнопка в режиме РАБОТА предназначена для переключения вывода на индикатор показаний первого таймера на показания второго и обратно. |
![]() |
Кнопка в режиме РАБОТА предназначена для переключения формата времени, выводимого на индикатор, а также для просмотра числа шагов, оставшихся до конца цикла, и количества циклов, оставшихся до конца программы. |
![]() |
Кнопки в режиме ПРОГРАММИРОВАНИЕ используются для выбора параметра и установки его значения. |
![]() |
Кнопка предназначена для входа в режим ПРОГРАММИРОВАНИЕ, для установки значения параметра, записи его в энергонезависимую память прибора и выхода в режим РАБОТА. |
Показания индикаторов на лицевой панели
![]() |
|
4-х разрядный цифровой индикатор |
Отображает по выбору пользователя: – оставшееся до окончания программы время; – оставшееся до конца выполнения программы число циклов; – оставшееся до окончания цикла число шагов. |
|
Светодиоды «Вых1», «Вых2» |
Сигнализирует о том, что включено, соответственно, выходное устройство первого таймера, выходное устройство второго таймера. |
|
Светодиод «1кан» |
На индикатор выводится информация о состоянии 1-го таймера. |
|
Светодиод «2кан» |
На индикатор выводится информация о состоянии 2-го таймера. |
|
Светодиод «цикл» |
На индикатор выводится информация о количестве оставшихся до конца программы циклов. |
|
Светодиод «шаг» |
На индикатор выводится информация о количестве оставшихся до конца цикла шагов. |
|
Светодиод «мин» |
В старшем разряде индикатора отображаются минуты. |
|
Светодиод «час» |
В старшем разряде индикатора отображаются часы. |
|
Напряжение питания |
130...265 В перем. тока 80...310 В пост. тока |
|
Количество входов управления |
3 |
|
Напряж. низкого (активного) уровня на входах |
0...0,8 В |
|
Напряжение высокого уровня на входах |
2,4...30 В |
|
Максимально допустимый ток нагрузки |
|
|
– электромагнитных реле |
8 А (220 В и cos φ> 0,4) |
|
– транзисторных оптопар |
0,2 А (+50 В) |
|
– оптосимисторов |
50 мА при 300 В или 0,5 А при tимп = 5 мс, 50 Гц |
|
– дублирующего выхода второго канала |
30 мА при +30 В |
|
Количество таймеров |
2 |
|
Длительность временных интервалов |
0...99 ч 59 мин 59,9 с |
|
Дискретность установки длительности временных интервалов |
0,1 с |
|
Количество программируемых шагов в цикле |
до 30 |
|
Количество циклов в программе или бесконечное |
от 1 до 9999 |
|
Время задержки начала выполн. программы |
0...9 ч 59 мин 59,9 с |
|
Типы корпусов |
Н, Щ1, Щ2 |
Условия эксплуатации
![]() |
|
Температура окружающего воздуха |
+1...+50 °С |
|
Атмосферное давление |
86...106,7 кПа |
|
Относительная влажность воздуха (при 25 °С) |
не более 80 % |
-90x90x90x718.jpg)




631-184-701