
Описание преобразователя частоты EI-P7012
Назначение
Модель нового поколения преобразователей частоты насосной серии. Используется для управления приводами с переменной нагрузкой насосного типа. Новую модель выгодно отличают расширенные функциональные возможности, меньшие массогабаритные характеристики, увеличенный диапазон мощностей.
Технические характеристики
• Диапазон мощностей 7,5 кВт - 370 кВт.
• Возможность управления группой электродвигателей от одного преобразователя.
• Встроенный ПИД-регулятор. Управление по вольт-частотной характеристике U/F.
• Аналоговые и цифровые входы/выходы для регулирования и дистанционного управления.
• Управление и диагностика по линии RS-485/RS-232.
• Питание 380 В, 50 Гц .
Модельный ряд
| Модель EI-P7012-010H | 7,5 кВт |
| Модель EI-P7012-015H | 11 кВт |
| Модель EI-P7012-020H | 15 кВт |
| Модель EI-P7012-025H | 18,5 кВт |
| Модель EI-P7012-030H | 22 кВт |
| Модель EI-P7012-040H | 30 кВт |
| Модель EI-P7012-050H | 37 кВт |
| Модель EI-P7012-060H | 45 кВт |
| Модель EI-P7012-075H | 55 кВт |
| Модель EI-P7012-100H | 75 кВт |
| Модель EI-P7012-125H | 93 кВт |
| Модель EI-P7012-150H | 110 кВт |
| Модель EI-P7012-175H | 132 кВт |
| Модель EI-P7012-200H | 160 кВт |
| Модель EI-P7012-275H | 200 кВт |
| Модель EI-P7012-300H | 220 кВт |
| Модель EI-P7012-350H | 250 кВт |
| Модель EI-P7012-400H | 370 кВт |
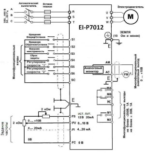
Схема подключения:
631-184-701