
PIV-N Пилотные клапаны для пневмоприводов с NAMUR присоединением
Модификации
|
PIV-N-A-14 (N).220AC Клапан пневмораспределительный, NAMUR, центр и сброс G 1/4'', 5/2, 1,5...8 бар, 220 В 50-60 Гц, установка на пневмопривод двустороннего действия, наличие ручного управления, тип катушки A
|
|
PIV-N-A-14 (N).24DC Клапан пневмораспределительный, NAMUR, центр и сброс G 1/4'', 5/2, 1,5...8 бар, =24 В, установка на пневмопривод двустороннего действия, наличие ручного управления, тип катушки A
|
Краткое описание электромагнитных управляющих клапанов PIV
Электромагнитные пневмораспределительные пилотные клапаны VALMA серии PIV-N предназначены для управления поворотными пневмоприводами или другими пневматическими исполнительными механизмами, выполненными по стандарту NAMUR. Данный стандарт предполагает крепление распределительного клапана на площадку, расположенную непосредственно на корпусе исполнительного механизма. Таким образом, использование пилотных клапанов PIV-N сокращает количество прокладываемой пневмотрубки, упрощает монтаж распределителей и повышает энергоэффективность пневмосистемы.

В задачах, требующих раздельной установки исполнительного механизма и распределительного клапана, могут быть использованы пневмораспределители VALMA с резьбовыми выходными портами серии PIV-S.
Особенности электромагнитных управляющих клапанов PIV
- распределительный клапан имеет присоединительную площадку по NAMUR стандарту, это обеспечивает высокую совместимость с различными пневмоприводами, упрощает монтаж и повышает энергоэффективность пневмосистемы
- пневматическая функция – 5/2 – позволяет использовать данные клапаны как с пневмоприводами двустороннего действия, так и с пневмоприводами одностороннего действия (с возвратными пружинами); во втором случае, возврат в исходное состояние будет осуществляться не только за счет усилия пружин, но и за счет энергии сжатого воздуха
- клапан оснащен ручным дублером с фиксацией положения
- катушка, разъём с индикацией и винты для фиксации на пневмоприводе входят в комплект поставки
- порты подачи и сброса воздуха G1/4" расположены на одной стороне клапана
| Параметр | Значение |
|---|---|
| Общие характеристики | |
| Тип рабочей среды | сжатый воздух (сухой и чистый) |
| Рабочее давление | 1,5...8 бар |
| Рабочая температура | -5…+50 °С без образования конденсата |
| Пропускная способность | 1380 норм.л/мин |
| Порт подачи воздуха и порты выхлопа | G 1/4" |
| Выходные порты | NAMUR стандарт |
| Электрические характеристики | |
| Доступные напряжения катушки |
постоянный ток: =24 В (3 Вт) переменный ток: ~220 В (3,5 В·А) |
| Продолжительность работы | беспрерывно (100% ED) |
| Класс нагревостойкости изоляции катушки | F (до +155 °C) |
| Электрический разъем (соответствие стандартам) |
EN175301-803 (форма B) DIN 43650 (форма B) |
| Степень защиты | IP65 |
| Скорость срабатывания | |
| Максимальная частота срабатывания | 5 циклов в секунду |
| Время отклика | 50 мс |
| Материалы основных деталей | |
| Корпус клапана | анодированный алюминий |
| Золотник | алюминий |
| Уплотнения | NBR |
Функциональная схема работы клапана пневмораспределительного VALMA серии PIV

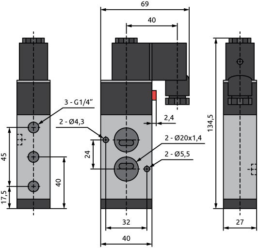
Габаритные размеры управляющих клапанов серии PIV

| PIV-N-A-14 (N). | |
|---|---|
| Тип катушки | |
| =24 В | 24DC |
| ~220 В | 220AC |
Пример: PIV-N-A-14 (N).24DC