Поиск

Каталог приборов

Новости

Статус ремонта прибора

СR-18: Емкостные датчики с цилиндрическим корпусом М18х1

СR-18: Емкостные датчики с цилиндрическим корпусом М18х1

Краткое описание

Принцип действия

Технические характеристики

Информация для заказа

Описание бесконтактных емкостных датчиков ONDO

Бесконтактные емкостные датчики ONDO предназначены для надежного отслеживания объектов без механического контакта с ним. Объектом воздействия может быть элемент, изготовленный из металла или диэлектрика. Датчики могут применяться для контроля положения, подсчета количества, скорости движения, контроля уровня жидких или сыпучих продуктов в емкости.

Серия датчиков CR-18 выполнена в пластиковом цилиндрическом корпусе с резьбой. Рабочий диапазон датчика — 12 мм. С помощью встроенного потенциометра может осуществляться точная настройка диапазона срабатывания.

Благодаря своей универсальности и надежности, датчики ONDO CR-18 подходят для:

  • подсчета стеклянных бутылок на линиях розлива,
  • контроля целостности полотна конвейера,
  • определения деревянных заготовок на торцовочном станке.
Для установки бесконтактных датчиков в цилиндрическом корпусе рекомендуется использовать прямые или угловые монтажные кронштейны Hold изготовленные из нержавеющей стали AISI 304.

 

Модификации датчиков ONDO серии CR-18

CR-18N-12PA-D2 Бесконтактный емкостный датчик (М18х1, невстраиваемый, PNP, НО+НЗ, 10-30В, 12мм(с регулировкой), 25Гц, IP68), кабель 2м
 
CR-18N-08RO-A2 Бесконтактный емкостный датчик (М18х1, невстраиваемый, НО, ~20-250В, 8мм(с регулировкой), 15Гц, IP67), кабель 2м
 
CR-18N-12NA-D2 Бесконтактный емкостный датчик (М18х1, невстраиваемый, NPN, НО+НЗ, 10-30В, 12мм(с регулировкой), 25Гц, IP68), кабель 2м
 

Принцип действия емкостных датчиков ONDO

Датчик представляет собой цилиндрический корпус, в котором расположены чувствительный элемент и электронная схема.

Структура бесконтактного емкостного датчика
Структура бесконтактного емкостного датчика

В качестве чувствительного элемента (ЧЭ) применяются два электрода («развернутый» конденсатор). Совместно с генератором ЧЭ формирует колебательный контур. Во время работы конденсатор (чувствительный элемент) реагирует на изменение диэлектрической проницаемости между электродами.

При внесении объекта в электрическое поле датчика изменяется емкость между электродами (обкладками конденсатора), в результате изменяются параметры колебательного контура (амплитуда, частота тока) в электрической схеме. Датчик отслеживает изменение параметров и определяет наличие или отсутствие объектов в рабочей зоне.

Для сигнализации о приближении объекта используется дискретный сигнал. Подключение осуществляется с помощью кабельного вывода или разъема.

В качестве основной характеристики датчика используется Номинальный рабочий диапазон (Sn) — это расстояние от объекта воздействия до активной поверхности ЧЭ, при котором срабатывает датчик. Номинальный диапазон не учитывает индивидуальную погрешность датчика или внешние факторы (напряжение питания, температура окружающей среды и др.).

При подборе датчика необходимо ориентироваться на Гарантированный рабочий диапазон (Sa) — это расстояние от активной поверхности ЧЭ, в пределах которого обеспечивается постоянное срабатывание датчика во всем диапазоне нормированных условий эксплуатации.

 

Технические характеристики емкостных датчиков ONDO CR-18

Параметр Значение
Способ установки датчика неутапливаемое исполнение
Номинальный рабочий диапазон (Sn) 12 мм
Гарантированный рабочий диапазон (Sa) 0…0,72*Sn
Размеры объекта воздействия стальная пластина со сторонами 3Sn*3Sn*1мм
Тип корпуса цилиндрический с резьбой и контр. гайками
Напряжение питания =10…30 В
Потребляемый ток не более 20 мА
Тип выходного сигнала PNP / NPN (транзисторный)
Частота переключения 25 Гц
Максимальная нагрузка дискретного выхода не более 200 мА
Допустимая температура окружающей среды -25…+70 °С
Допустимая влажность воздуха окружающей среды 35…95 %
Встроенная защита защита от короткого замыкания,
защита от перегрузки,
защита от обратной полярности
Сопротивление изоляции ≥50 МОм (=500 В)
Защита от внешних воздействий IP68
Способ подключения кабель 2 метра
Сигнализация срабатывания светодиод на корпусе
Материал корпуса полибутилентерефталат

 

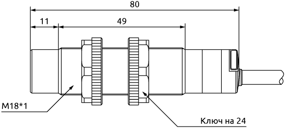
Габаритные размеры емкостных датчиков ONDO серии CR-18

Габаритные размеры емкостных датчиков ONDO CR-18
Габаритные размеры ONDO CR-18, мм

 

Схемы соединения емкостных датчиков ONDO CR-18

Схема соединения CR-18 NPN
Схема соединения CR-18 NPN
Схема соединения CR-30 PNP
Схема соединения CR-18 PNP
 
Цвет
провода
Номер контакта
(разъем)
Назначение
контактов
Коричневый 1 +Uпит
Белый 2 НЗ-контакт
Синий 3 -Uпит
Черный 4 НО-контакт

 

Информация для заказа емкостных датчиков ONDO CR-18

CR - 18 N - 12   A - D 2
Серия                      
Цилиндрический корпус CR                    
Типоразмер корпуса                  
М18х1 18                
Способ установки датчика в металл                
Неутапливаемое исполнение N              
Номинальный рабочий диапазон (Sn)            
Рабочее расстояние 12 мм 12          
Тип выходного сигнала          
PNP P        
NPN N        
Логика выходного сигнала        
НО+НЗ A      
Номинальное напряжение питания    
=24 В D  
Способ подключения  
Кабель (2 метра) 2

Пример: CR-18N-12NA-D2.

Array ( )