Термопары ТД729
Предназначена для измерения температуры жидких, газообразных и твердых тел в диапазоне от -150 до +1200°С. При длине погружной части менее 80 мм диапазон измерения от -70 до +350°С.
-ТУ 4211-010-12023213-2007
-Внесены в Государственный реестр средств измерений под № 38468-08
-Номинальная статическая характеристика ТХА (К) и ТХК (L) по ГОСТ Р 8.585-2001.
-Класс допуска по ГОСТ 6616 94: 2 или 3.
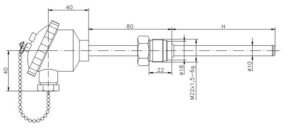
Пример для записи при заказе: ТД729-d10-H250-М20-ХА (-150…+800⁰С)
− ТД729 - модель преобразователя;
− d10 – диаметр корпуса (мм);
− Н250 - длина погружаемой части в (мм);
− М20 – штуцер М20х1,5;
− ХА - тип НСХ.

Модели прибора
ТД729-d10-H100-М22-ХА (-150...+800С)
ТД729-d10-H150-М22-ХА (-150...+800С)
ТД729-d10-H320-М20-ХА-(СП39) (0...+1000С)
ТД729-d20-H500-М27-ХА-(СП49) (0...+1200С)
ТД729-d20-H320-М27-ХА-(СП49) (0...+1200С)
Модели снятые с производства
ТД729-d10-H080-М22-ХА (-150...+800С)
ТД729-d10-H200-М22-ХА (-150...+800С)
ТД729-d10-H250-М22-ХА (-150...+800С)
631-184-701